优途网

邯郸优途教育咨询有限公司

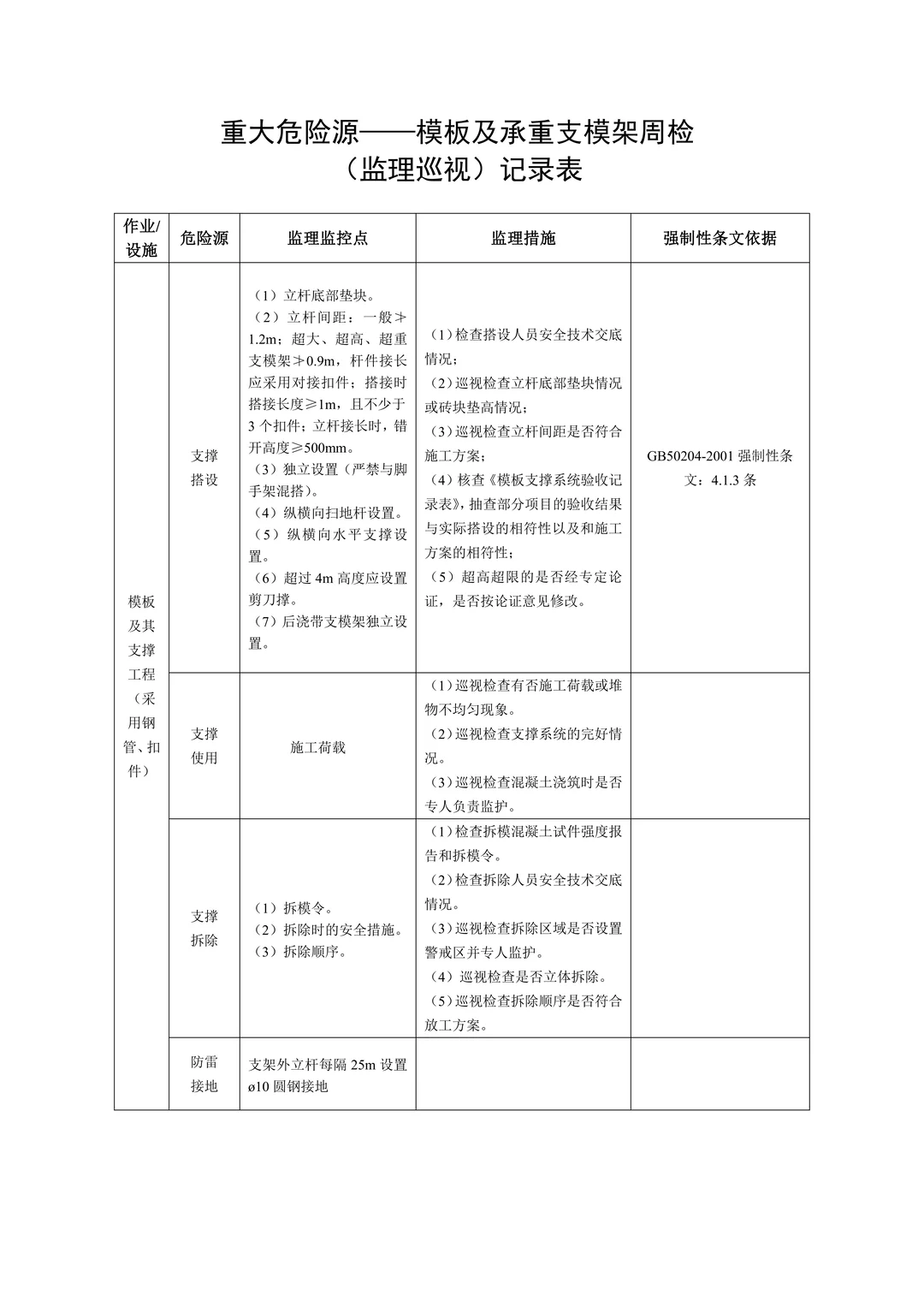
重大危险源,安全监理巡视检查记录表PDF

重大危险源,安全监理巡视检查记录表PDF

重大危险源,安全监理巡视检查记录表PDF

重大危险源,安全监理巡视检查记录表PDF

重大危险源,安全监理巡视检查记录表PDF

重大危险源,安全监理巡视检查记录表PDF

重大危险源,安全监理巡视检查记录表PDF

控制面板
您好,欢迎到访网站!
  查看权限
网站分类
最新留言

    Powered By Z-BlogPHP 1.7.3

    Copyright Your WebSite.Some Rights Reserved. 冀ICP备2024056641号-1